¿La interferencia del circuito arruina tus proyectos? Los optoacopladores lo solucionan. Exploremos qué son y por qué son importantes.
Los optoacopladores (OC) transmiten señales a través de la luz, aislando la entrada de la salida. Utilizan un LED y un fotodetector, clave para la antiinterferencia en los circuitos.

Una vez omití un optoacoplador en un circuito de motor; el ruido quemó el controlador. Aprenda de ese error. Analicemos su funcionamiento, tipos y usos.
¿Cómo transmiten señales los optoacopladores?
¿Te preguntas cómo la luz transporta la electricidad? Esa es la magia. Si te equivocas, tu circuito falla.
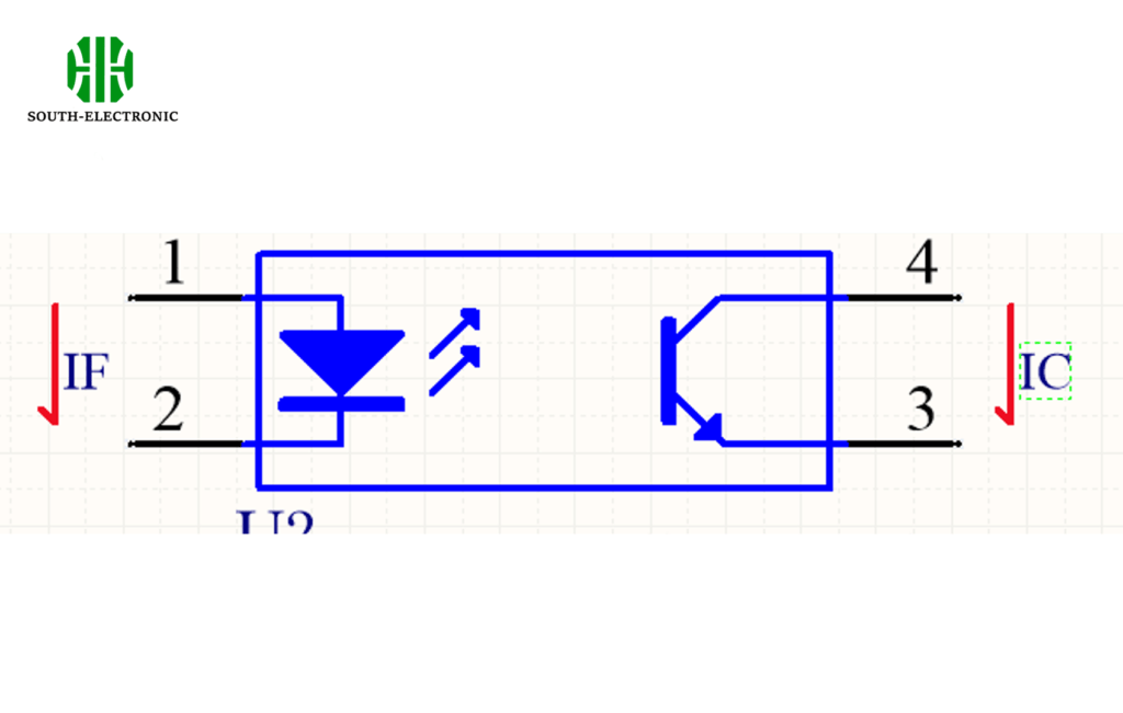
Los optoacopladores convierten la electricidad en luz (a través del LED) y luego de nuevo en electricidad (a través del fotodetector). Esto aísla la entrada de la salida.

Los tres pasos
-
Electricidad a luz: La corriente de entrada alimenta un LED. El LED se ilumina; el brillo coincide con la señal de entrada. Observé esto en una prueba: una entrada de 5 V hizo que el LED brillara; 0 V lo apagó.
-
Luz a electricidad: Un fotodetector (como un fototransistor) se ubica cerca del LED. Capta la luz y genera una pequeña corriente. Más luz = más corriente.
-
Amplificación: Algunos optoacopladores elevan la pequeña corriente a niveles utilizables. Esto garantiza que la señal de salida sea lo suficientemente intensa.
Por qué es importante el aislamiento
La entrada y la salida no tienen conexión eléctrica directa. Esto evita que se crucen el ruido o el alto voltaje. En una fuente de alimentación que construí, el optoacoplador impidió que la red de 220 V dañara el circuito de control de 5 V.
| Componente | Función |
|---|---|
| LED | Convierte la electricidad de entrada en luz |
| Fotodetector | Convierte la luz de nuevo en electricidad |
| Amplificador (si lo hay) | Refuerza la señal de salida |
El mes pasado, un alumno realizó un cableado alrededor del optoacoplador. Un pico de tensión destruyó el microcontrolador. El aislamiento no es opcional, es fundamental.
¿Cómo se clasifican los optoacopladores según el camino de la luz?
Al principio, los tipos de camino de la luz me confundieron. Si eliges el incorrecto, tu optoacoplador no detectará señales.
Se dividen en internos (camino de luz cerrado) y externos (camino de luz abierto). Los externos incluyen los de barrera y los de reflexión.

Trayectoria de luz interna
El LED y el fotodetector están sellados en un solo paquete. La luz viaja directamente al interior, sin interferencias externas. Los utilizo para la mayoría de los circuitos. Son fiables para el aislamiento de la señal. Un buen ejemplo es el optoacoplador 4N25: está sellado, por lo que el polvo o la luz de otras fuentes no lo afectan.
Trayectoria de luz externa
Estos tienen LED y fotodetector separados. La luz viaja a través del espacio abierto. Hay dos tipos principales:
- Barrera: LED en un lado, detector en el otro. Un objeto que bloquea la luz cambia la señal. Utilicé esto en un sensor de puerta: al abrir la puerta, se interrumpe el haz, activando una alarma.
- Reflectivo: El LED y el detector están uno al lado del otro. Rebotan la luz en una superficie. Sin reflexión (p. ej., sin objeto) significa que no hay señal. Ideal para contar piezas en una cinta transportadora.
| Tipo | Estructura | Ideal para |
|---|---|---|
| Interno | Encapsulado sellado | Aislamiento de señal, reducción de ruido |
| Barrera externa | LED/detector separados, trayectoria recta | Detección de objetos, conteo |
| Reflectivo externo | LED/detector juntos, rebote de luz | Detección de proximidad, detección de superficies |
Una vez probé un optoacoplador interno para un contador de cinta transportadora. Falló; necesitaba el tipo reflectante externo para "ver" las piezas.
¿Cuáles son los tipos de salida de los optoacopladores?
Elegir el tipo de salida incorrecto provocó que mi primera fuente de alimentación fallara. Las salidas no son universales.
Los tipos de salida incluyen fotodiodo, fototransistor, Darlington, puerta lógica y potencia (IGBT/MOSFET), cada uno para tareas específicas.

Tipos de salida comunes
- Fotodiodo: Simple, rápido, pero de baja corriente. Ideal para señales de alta velocidad. Usé uno en un enlace de datos de 1 MHz y mantuvo la velocidad.
- Fototransistor: Mayor corriente que un diodo, pero más lento. Funciona con señales lentas como interruptores de encendido/apagado.
- Transistor Darlington: Aún más corriente (hasta 100 mA). Ideal para controlar motores pequeños o relés. En un circuito de control de ventiladores, manejó 50 mA sin problemas.
- Puerta lógica: Emite señales digitales (0 V o 5 V). Perfecto para entradas de microcontroladores. Un 6N137 que usé envió señales limpias de 5 V a un Arduino. Tipos de potencia (IGBT/MOSFET): Controlan altas corrientes (amperios, no mA). Se utilizan en inversores o variadores de velocidad de motores.
| Tipo de salida | Corriente máxima | Velocidad | Uso óptimo |
|---|---|---|---|
| Fotodiodo | <1 mA | Rápido (más de 100 MHz) | Datos de alta velocidad |
| Fototransistor | <10 mA | Lento (100 kHz) | Encendido/apagado simple |
| Darlington | <100 mA | Más lento (10 kHz) | Relés, motores pequeños |
| Puerta lógica | 1 A | Medio (1 MHz) | Dispositivos de alta potencia |
Un colega usó un fototransistor para una señal de 1 MHz. Tenía retraso; cambiarlo por un fotodiodo lo solucionó. Adapte la salida a sus necesidades de velocidad y corriente.
¿Cómo se clasifican los optoacopladores por encapsulado?
El tipo de encapsulado es importante para el espacio. Una vez elegí un optoacoplador demasiado grande; no encajaba en la PCB.
Los encapsulados incluyen DIP, SMD, TO, coaxial y de fibra óptica. Elija según el espacio y las necesidades de montaje.

Encapsulados comunes
- DIP (Encapsulado dual en línea): Pines pasantes, fáciles de soldar a mano. Ideal para prototipado. Un DIP de 4N35 encajó perfectamente en mi placa de pruebas.
- SMD (Montaje superficial): Pequeño, plano, se suelda a la superficie de la PCB. Ahorra espacio en teléfonos o wearables. Usé un optoacoplador SMD en el cargador de un smartwatch; encajaba en la pequeña PCB.
- Encapsulado TO: Carcasa metálica, mejor disipación del calor. Se usa para tipos de alta potencia. Un optoacoplador TO-220 en una fuente de alimentación se mantuvo frío a 1 A.
- Coaxial: Cilíndrico, protege de la luz externa. Ideal para circuitos sensibles.
- Fibra óptica: Utiliza un cable de fibra para transportar la luz. Permite largas distancias entre el LED y el detector. Los vi en máquinas de fábrica; el LED y el detector estaban separados por 10 m.
| Envase | Tamaño | Montaje | Ideal para |
|---|---|---|---|
| DIP | Más grande | Agujero pasante | Prototipado, bajo volumen |
| SMD | Pequeño | Montaje superficial | Producción en masa, dispositivos pequeños |
| TO | Mediano | Agujero pasante/SMD | Alta potencia, sensible al calor |
| Coaxial | Pequeño | Agujero pasante | Circuitos sensibles |
| Fibra óptica | Variable | Personalizado | Transmisión de señales a larga distancia |
El año pasado, diseñé una PCB con optoacopladores DIP. Funcionaba, pero era voluminoso. Cambiar a SMD redujo el tamaño en un 40 %, importante para dispositivos portátiles.
¿Qué son los optoacopladores digitales y lineales?
Digital vs. lineal: mezclarlos provocó que mi circuito de audio se distorsionara. Manejan las señales de forma diferente.
Los optoacopladores digitales envían señales de encendido/apagado. Los lineales transmiten señales variables (como el volumen) con precisión.

Optoacopladores digitales
Funcionan como interruptores. Entrada activada = salida activada; entrada desactivada = salida desactivada. Sin intermediarios. Ideales para señales binarias (0 y 1). Usé uno en un adaptador USB a serie; pasó 0 y 1 sin errores.
Optoacopladores lineales
Copian la intensidad de la señal de entrada. Una entrada de 2 V produce una salida de 2 V (escalada). Perfecto para señales analógicas como audio o lecturas de sensores. En un circuito de micrófono, un optoacoplador lineal mantenía el sonido nítido y sin distorsión.
| Tipo | Tipo de señal | Precisión | Ejemplo de uso |
|---|---|---|---|
| Digital | Binario (activado/desactivado) | Alto para 0/1 | Datos informáticos, circuitos lógicos |
| Lineal | Variable (0-5 V, etc.) | Alto para gradientes | Audio, señales de sensores |
Una vez probé un optoacoplador digital en un circuito de audio. La música se convirtió en clics; no podía manejar las señales variables. El lineal fue la solución.
¿En qué se diferencian los optoacopladores de alta y baja velocidad?
¿Un optoacoplador lento en un circuito rápido? Se pierden datos. La velocidad importa más de lo que crees.
Los optoacopladores de alta velocidad manejan señales de más de 10 MHz. Los de baja velocidad funcionan con señales de menos de 1 MHz. Elija según la velocidad de su señal.

Optoacopladores de alta velocidad
Utilizan componentes rápidos (como fotodiodos PIN) y procesamiento de señales. Algunos alcanzan 1 GHz. Se utilizan en la comunicación de datos (Ethernet, USB). Un 6N138 que utilicé manejaba 100 MHz, sin pérdida de datos.
Optoacopladores de baja velocidad
Más lentos (normalmente 10 MHz (hasta 1 GHz) | Fotodiodo PIN, procesamiento de señales | Enlaces de datos, circuitos de alta frecuencia |
| Baja velocidad | <1 MHz | Fototransistor | Interruptores lentos, sensores |
En una sonda de osciloscopio de 50 MHz, un optoacoplador de baja velocidad generó una señal borrosa. La actualización a un modelo de alta velocidad solucionó el problema, crucial para obtener mediciones precisas.
Conclusión
Los optoacopladores aíslan las señales mediante luz, con tipos según la velocidad, el tipo de señal y el espacio. Elija el adecuado para evitar ruido y fallos.